Ingeniería y desarrollo de proyectos en tratamiento de aguas
Soluciones técnicas a medida desde el concepto hasta la puesta en marcha. Transformamos desafíos hídricos en soluciones eficientes y sostenibles.
Apoyo técnico especializado para empresas que requieren planificación, diseño e ingeniería de procesos de tratamiento de agua y sistemas a medida.
Nuestros servicios de ingeniería
1. Ingeniería conceptual y de detralle
Definimos la viabilidad técnica y económica del proyecto basándonos en datos reales y necesidades específicas del cliente.
- Estudio de parámetros de entrada (caudales, calidad del agua, regulaciones)
- Diagnóstico de situaciones existentes
- Identificación de soluciones óptimas
2. Diseño de procesos y equipos personalizados
Desarrollamos el diseño 2D/3D de instalaciones, equipos y procesos optimizados, incluyendo:
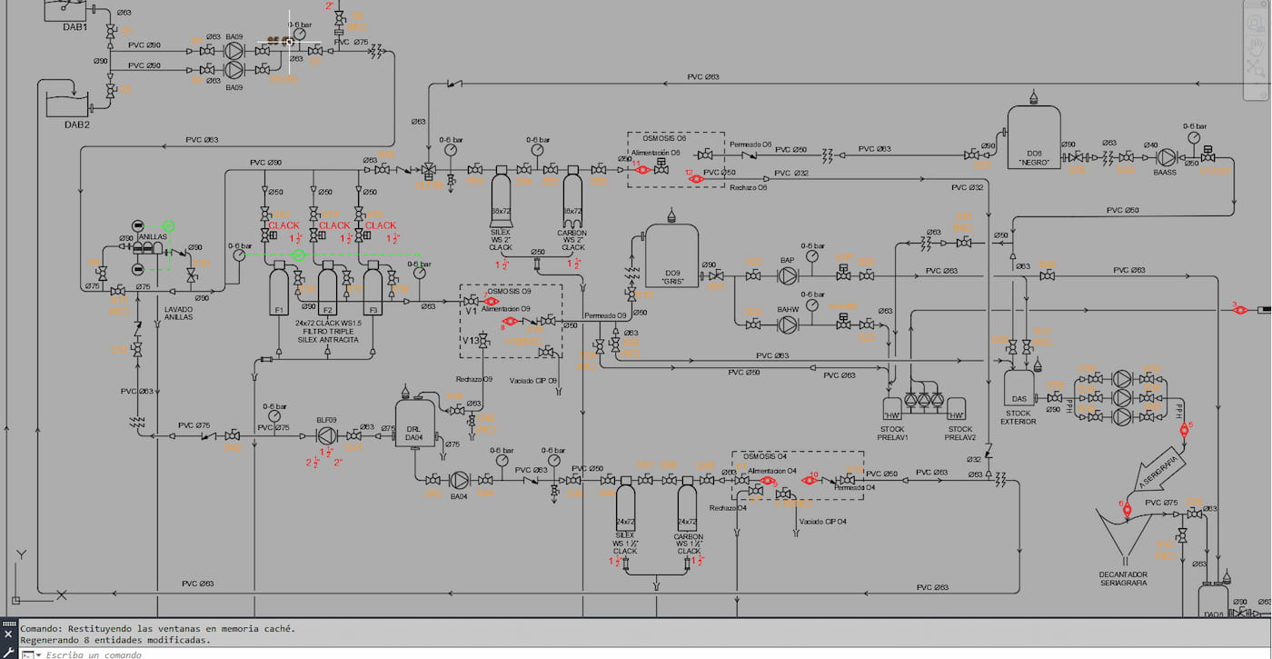
- Diagramas de flujo y P&ID (Diagramas de tuberías e instrumentación)
- Layout de planta
- Simulaciones y dimensionado
- Especificaciones técnicas completas
3. Desarrollo y gestión integral de proyecto
Nuestro equipo coordina todas las fases del proyecto:
- Ingeniería básica y de detalle
- Gestión de compras y especificación de fabricantes
- Control de calidad y seguimiento de obra
- Puesta en marcha y verificación
4. Integración y automatización
Ofrecemos soluciones que integran instrumentación y control avanzado para:
- Optimización del rendimiento de las instalaciones
- Garantizando operaciones seguras y eficientes
aplicaciones
Industrias alimentarias y químicas
Plantas de tratamiento municipal
Servicios auxiliares e industriales
Infraestructuras públicas y privadas
Integración con automatización
Casos de éxito
Filtración y control de cloro - pH
En una localidad aragonesa se midieron en el depósito de abastecimiento de agua potable valores de turbidez por encima de los permitidos por el Real Decreto 3/2023, el cual establece los criterios técnico sanitarios de calidad del agua de consumo humano.
Acondicionamiento de agua de pozo industria alcoholera
Se ha llevado a cabo un proyecto de fabricación de un equipo de ósmosis inversa para producir 12.000 L/h de agua osmotizada.